产品分类
新闻资讯
超级螺栓——到底牛在哪里?多级顶推联接紧固器,又名超级螺栓,不需要特殊装置或专用工具就能实现大型工件的预紧并且能可靠地防止其松动。
一般来说,要想紧固好直径大于1英寸的螺栓需要使用力矩放大器。传统的紧固方法包括锤击、加热、液压扳手、液压拉伸器等。这些方法不但存在精度差、耗费时间、设备昂贵、安全隐患,而且经常出现螺纹咬死(金属粘连)现象。
传统紧固方法由于精度难于控制、误差大,经常导致螺栓预紧力过高,由此产生的螺纹咬死(金属粘连)是常见现象。通过观察可以发现,螺纹粘连的区域基本上发生在螺母下部两三牙,这是由于预紧力过高而导致了应力集中。
而应力释放功能是多顶推张紧器的另一大特性,顶推螺栓与主螺栓产生的力相互作用,产生了弯曲力矩,在多顶推张紧器上,弯曲力矩呈现为圆周形,由此在多顶推张紧器上产生的应力为圆周应力。圆周应力使得超级螺栓底部直径增大,而上部直径缩小。这种伸缩运动起到释放应力集中、提高静态负载、防止出现螺纹咬死(金属粘连)的作用。
多级顶推联接紧固器,不需要特殊装置或专用工具就能将大型工件预紧并能可靠防止其松动。
一、构成及防松原理
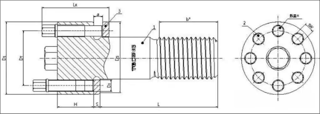
超级螺栓多顶推预紧器(MJTs)可直接替代六角螺母、盖螺母和螺栓等。他们旋合在已有螺栓或螺柱之上,并提供一个更好的方法来紧固连接件。多级顶推联接紧固器是由硬化垫圈、螺母主体和顶推螺钉组成。

1.顶推螺钉 2.螺母主体 3.硬质垫圈4.被连接工件 5.顶推螺栓主体

超级垫片套在螺柱或螺栓上,防松自锁螺母由其螺孔旋在螺柱或螺栓上;圆柱形双头螺栓,其中间制成圆柱形,两头制成螺纹。其一头螺纹上分别装有超级垫片和防松自锁螺母,超级垫片装在内侧,防松自锁螺母装在外侧。在其圆柱形表面,沿径向等角度钻有多个盲孔,在其底部制有1.5°的特殊锥面结构,在圆柱形双头螺栓的另一头螺纹上分别装有超级垫片和多级顶推螺套,超级垫片装在内侧,多级顶推螺套装在外侧,其上面装有多级顶推螺栓,多级顶推螺栓的一端与超级垫片相接触。
二、为什么要采用多级顶推螺栓——长期存在防松问题
各种机械传动设备以及设备安装广泛采用各种型式的螺栓联接。通过对国内外新型螺栓的联接技术进行广泛的调研,对传统铰制孔螺栓、液压螺栓进行比较发现:
1、传统铰制孔螺栓具有加工困难,劳动强度大,加工精度低,装配质量降低,安装和拆卸困难,互换性差等缺点;
2、液压螺栓存在需要配置专门工装,外形尺寸大,安装和拆卸空间要求大,加工要求高,加工工艺复杂等缺点。
许多联接部位空间狭小,设备布置紧凑,还必须采用紧配螺栓,其加工、安装和拆卸十分困难,直接影响机械设备安装质量和正常维修。在机械设备的拆卸过程中,容易发生联接螺栓在螺孔中锁死现象,不得不用彻底破坏方法将紧配螺栓加工掉。
许多大型设备的紧配螺栓直径较大,在拆卸时会导致螺孔拉毛,需要重新铰制螺栓孔并研配螺栓,紧配螺栓的互换性差,造成大量人力和物力的浪费。
还有很多实际工程中发生了安装空间狭小,安装和拆卸紧配螺栓成为一个比较棘手的问题。
三、防松优势
超级螺栓多顶推预紧器在大直径螺栓紧固时可以提供高的预紧力,通过顶推螺钉拧入螺母主体的方法,将高的预紧力分解为可以控制的安装扭矩来实现。与六角螺母相比,超级螺栓很容易安装,即使在很大的尺寸。
多顶推预紧器(MJTs)与其他常见紧固方法相比有许多好处。快速、安全、易于安装。
a.预紧力精确:
预紧力过大会导致紧配螺柱或螺栓损坏,预紧力接近或小于承受负载时,紧配螺柱或螺栓会出现松动。因此,准确设定紧配螺柱或螺栓预紧力十分重要。多级顶推联接紧固器的顶推螺栓的尺寸和数量同预紧力成正比,也就是说设定多级顶推联接紧固器的预紧力,同顶推螺栓的扭矩有直接的关系,调节顶推螺栓可提高预紧力精确,多级顶推联接紧固器预紧力精度可达90%~95%,比任何传统紧固方法预紧力精度都准确得多。可实现联接件的精确对中,可弥补联接紧固器与联接件的接触面到联接孔中心线垂直度的微小偏差。
b.张力均匀:
多级顶推联接紧固器的张力变化很小(±5%),通过使用多级顶推联接紧固器的顶推螺栓使法兰接合处保持均匀的压力,防止偏转。它们与联接孔结合均匀,防止紧配螺柱或螺栓受力不均,提高联接件可靠性。
c.弹力丰富:
采用锥形的弹性套。多级顶推联接紧固器可使联接系统的弹性增加2个螺栓直径的当量,对于一般联接系统,相当于弹性增加50%~100%。由于蠕变在一定的温度下以均匀的速度出现,弹性增大将大大延长高温连接的紧配螺柱或螺栓的使用寿命。由于多级顶推联接紧固器的弹性套具有较好弹性,能在一定膨胀范围内使用,互换性好,并且对孔的加工要求不高,可以减轻孔加工强度。由于弹性套具有高弹性,经多次使用后仍能弹回来原来尺寸,拆装中避免了传统铰制螺栓或螺栓孔拉伤的现象,所以多级顶推联接紧固器可重复使用。
d.容易安装、拆卸:
采用锥形的弹性套。设备安装所需空间较小,这对潜艇条件下的安装使用显得更为重要。传统螺栓安装时,要用大锤打进,需要相当长的操作空间,多级顶推联接紧固器只须预留锥形螺柱7(锥形螺栓)长度,便可以安装。拆卸时只需要松开小端顶推螺栓,锥形螺柱7在大端拉力作用下自动松开,弹性套在自身弹力下径向收缩,拆卸十分方便。
e.应力释放:
多级顶推联接紧固器工作时,顶推螺栓和紧配螺柱或螺栓之间产生的相对作用力形成圆周应力。
在圆周应力的作用下,多级顶推联接紧固器底部直径扩大,上部直径缩小。因此,应力均匀地释放在整个有效螺纹上,避免了应力集中,增强了承载能力。
f.操作简便、省时省力经济安全:
安装、拆卸多级顶推联接紧固器时只需一把手动扭矩扳手,一个人只需几分钟就能完成安装或拆卸工作量。比普通螺栓可节省60%以上的安装时间,操作十分安全,不再需要使用液压扳手,液压拉伸器、加热棒等专用工具,并可反复多次使用,经济性好。
四、使用中应该注意的事项
当使用超级螺栓张紧器时,在各种领域对潜在的应用场景需要重点考虑的事项。
垫圈放置在螺纹的中心
确保垫圈不放置在底切的边缘或者配合螺栓的半径范围。

大孔/长孔
一个额外的垫圈或一个大的垫圈是必要的,以传递螺栓负载到支撑面。

材料强度低
当连接件的材料强度较低时,需要用一个厚的,更大的垫圈或附加垫圈。

螺钉尽头的张紧器
一个额外的间隔垫圈可能是需要的,使得张紧器可以接近螺钉尾部。

空间需求
检查扳手套筒所需空间。

很长的全螺纹螺杆
一个有一大圈顶推螺钉的张紧器,正确地通过顶推螺钉来拧紧是必须的。



